1. 黄色视频软件大全,黄色视频网站APP,黄色视频免费观看下载,黄色视频污在线观看网站

          網站地圖
        2. LEwin樂玩靈犀X1 PowerFlow L28產品手冊

          發布時間:2025-01-14 15:27:03

          1. 安全須知

          · 了解產品:在使用該產品之前,請仔細閱讀產品手冊,了解產品的功能、操作方式以及安全注意事項。

          · 遵循使用要求:確保機器在適宜環境中進行使用,避免過高或過低的溫度、潮濕環境等。

          · 電源安全:操作前確保所有電纜、插頭、插座完好無損。遇到異常情況(如短路、過熱等)時立即斷開電源。

          · 定期檢查:定期進行維護和檢查,確保機器的組件如電機、電源等正常運行,避免因老化或損壞導致的危險。

          · 防止誤用:確保機器不會用於任何不當、危險或法律禁止的場景。


          2. 產品簡介

          2.1 產品概述

          LEwin樂玩靈犀X1 L28是一款高速度、大推力的通用推杆。采用高密度推力電機及高度集成驅動板,通過CANFD協議或4pin-USB控製,實現收縮/伸出功能,整機重量隻有200g左右。

          L28除了適合用於機器人之外,還適用於各種工業、服務領域。無論是用於設備的關鍵零部件,還是直接用於客戶端,都有很好的效果。

          20.png


          2.2 主要特性

          • 低成本線性關節

          • CANFD接口

          • 高推力密度

          • 高集成度一體驅動


          2.3 產品參數


          參數

          典型值

          重量

          0.21kg

          最大推力

          110N

          最大速度

          50mm/s

          最大行程

          24mm

          額定工作電壓

          24V DC



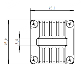
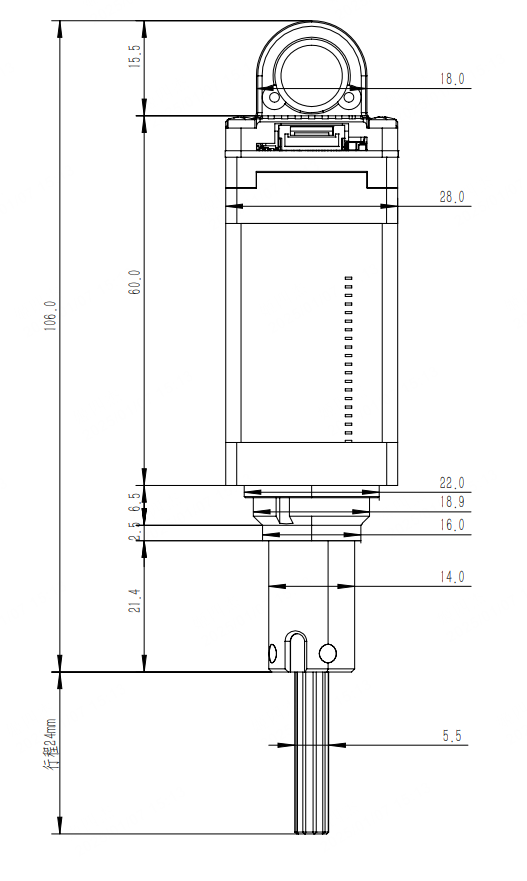
          3. 產品尺寸信息

          21.png

          22.png

          4. 電氣接口互聯

          6PIN電源CAN通訊引腳定義:

          序號

          PIN定義

          功能描述

          1

          DC-BUS

           

          總電源輸入 24V

          2

          DC-BUS

          3

          CAN_H

          CAN總線-高

          4

          CAN_L

          CAN總線-低

          5

          PGND

          總電源地

           

          6

          PGND

          3PIN燒錄口引腳定義:

          序號

          PIN定義

          功能描述

          1

          GND

          電源地

          2

          SWCLK

          燒錄時鍾線

          3

          SWDIO

          燒錄數據線


          5. 上位機調試說明


          5.1 使用方法

          準備一台Windows係統的電腦,並下載上位機軟件REF-CLI v1.0.3.exe。

          確保L28的行程中沒有障礙物後,將L28上電。若一切正常,L28會自動收縮以尋找零位,若未能收縮則需停止使用,檢查L28運動是否流暢。

          用 USB-4pin數據線將L28連接至電腦,並打開上位機軟件。等待上位機識別成功後,會有如下顯示:

          23.png

          此時,編號為 00003982464D 的設備在上位機中的索引名為 ref0 。

          在上位機中直接鍵入 ref0 並敲擊回車,會顯示當前L28的基本信息。根據下圖所示,當前L28的固件版本為 206,CAN總線ID為1。

          24.png


          5.2 更改CAN-ID

          ref0.can_node_id 代表CAN總線的節點ID。可以直接查看其數值,也可以使用 = 進行賦值。執行以下命令。

          ref0.can_node_id=8    // CAN ID設置為8

          25.png

          所有的參數變更,都需要調用 save_config() 方法進行保存,而該操作需要在 失能 狀態下進行。

          ref0.motor.request_state(0)    // 先將L28失能, 0代表失能,1代表使能
           
                ref0.save_config()             // 保存所有參數

          26.png

          注:所有參數變更,都在保存並重新上電後生效。


          5.3 控製L28運動

          1. L28重新上電。(默認上電自使能)

          2. 等待L28自動收縮至零點。

          3. 連接上位機,並調用 set_pos(x) 方法設置其位置,其中x為伸出值,範圍 0.0 - 9.5(對應至零點的距離為0 - 24mm,且為線性關係),0為全部收縮(即0mm),9.5為全部伸出(即24mm)。

             ref0.motor.ctrl.set_pos(0) // 將L28運動至零點處。
             ref0.motor.ctrl.set_pos(1) // 將L28運動至2.53mm處。
             ref0.motor.ctrl.set_pos(5) // 將L28運動至12.63mm處。
             ref0.motor.ctrl.set_pos(9.5) // 將L28運動至24mm處。


          6. 通信接口及協議

          PowerFlow係列執行器支持 CANFD 通信方式,仲裁域波特率 1M,采樣點80%,數據域波特率5M,采樣點75%。

          L28在正常情況下,上電會自動使能並尋找零位,需要無須手動使能。


          6.1 P2P模式

          P2P模式下,上下行的報文ID相同,都是L28的節點ID,該參數可以在上位機中進行配置。

          報文上下行的格式是一樣的,下行報文解析後會按照同樣的格式返回一幀狀態數據,定義如下:

          MSG ID

          DLC

          D0

          D1

          D2

          D3

          D4

          D5

          D6

          D7

          can_node_id

          8

          pos cmd/state - raw float

          cur cmd/state - raw float

          •cur cmd/state :電流數據,小端格式,float類型,單位為 安培,範圍 0 ~ 2.5A

          •pos cmd/state :位置數據,小端格式,float 類型,數值範圍 0 ~ 10.0,與實際伸縮距離的對應關係如下:

          推杆伸出長度(mm) = 2.54 * pos


          6.2 廣播模式

          廣播模式下,報文ID固定為0,數據域長度為64,具體定義如下:

          MSG ID

          DLC

          D0 - D7

          D8 - D15

          D16 - D23

          D24 - D31

          D32 - D39

          D40 - D47

          D48 - D55

          D56 - D63

          0

          64

          id 1

          id 2

          id 3

          id 4

          id 5

          id 6

          id 7

          id 8

          每個節點根據其ID選用數據域中的8個字節,例如 ID為2的執行器取用的數據段為 D8 - D15,解析方法與 P2P模式 相同。

          注:由於數據長度有限,該模式下每條總線最多串聯8個節點,ID設置的範圍為 1 - 8 。


          7. 其他

          本手冊基於 PowerFlow L28 硬件 Ver1.1,軟件 Ver2.0.6 編寫。

          其他產品手冊中未注明事項,請查閱LEwin樂玩官網,或聯係LEwin樂玩服務人員獲取信息。


          網站地圖